 |
| 性能规范Technical Data |
公称压力 Nominal Pressure (MPa) |
公称通径 Nominal Diameter (mm) |
适用介质Applicable Medium |
| 4.0 |
10 - 32 |
海水、淡水、滑油、燃油和f≤2500C蒸汽 Sea water. Fresh water. Lu bricanting oil, Fuel oil,f≤250‘℃steam |
|
|
| 主要零部件材质Materials of Main Parts |
| 零件名称Parts Name |
材料Material |
| |
名称Name |
牌号Marks |
| 阀体Body |
铸铝青铜Cast Aluminum Bronze |
ZCuA19Mn2 |
| 阀盖、阀盘Cover/Disc |
铝青铜Aluminum Bronze |
CuA19Mn2 |
|
|
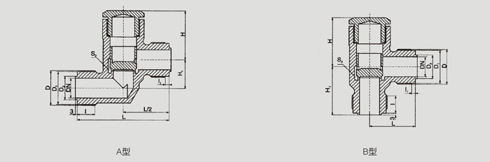
| 基本尺寸Dimensions |
公称
|
结构尺寸Structure Dimension
|
螺纹接头
|
扳手尺寸 Wrench Size |
升程 |
参考重量 |
| 通径DN |
L |
H≈ |
Hi |
Thread Jo |
nf
|
S2 |
Lift Range |
Weight(kg) |
| (mm) |
A型 |
B型 |
|
A型 |
B型 |
D |
Di |
D2 |
l |
|1 |
A型 |
B型 |
m |
A型 |
B型 |
| 10 |
94 |
47 |
54 |
20 |
41 |
M27×1.5 |
24.8 |
14 |
16 |
3 |
27 |
32 |
7 |
0.61 |
0.58 |
| 15 |
110 |
55 |
61 |
25 |
52 |
M36×2 |
33 |
22 |
22 |
5 |
32 |
41 |
10 |
1.00 |
0.94 |
| 20 |
116 |
58 |
65 |
32 |
55 |
M39 x 2 |
36 |
25 |
23 |
5 |
36 |
46 |
12 |
1.19 |
1.24 |
| 25 |
130 |
65 |
70 |
38 |
64 |
M48X2 |
45 |
32 |
26 |
6 |
46 |
50 |
14 |
1.71 |
1.58 |
| 32 |
140 |
70 |
84 |
46 |
72 |
M56×2 |
53 |
38 |
28 |
6 |
46 |
60 |
16 |
2.87 |
2.61 | |